主页>旋转编码器>单圈绝对值编码器>RS485&模拟量编码器
单圈绝对值编码-RS485&模拟量编码器
- 单圈0~ 360°绝对式,断电记忆
- 可做电子多圈,高达几百万圈;
- 最小体积直径25mm,工业级编码器;
- 宽电压,通过EMC测试,抗干扰性强,稳定性强; .
- 可通过通讯协议或上位机软件进行参数设定,操作直观、简单;
- 支持查询模式和自动返回模式,反馈位置和速度;波特率、置位功能、计数方向及速度反馈等可编程;
- 价格:¥308起;货期:现货。
单圈分辨率:
结构形式:













11
工作电压 | 12~24V | 电气寿命 | >100000h |
线性度 | 0.1% | 单圈分辨率 | 10 bit,12 bit,13 bit,14bit,15 bit,16bit |
工作电流 | 50mA | 通讯接口 | 输出口1:RS485 (ModBus RTU) 输出口2:模拟量电流4-20mA或电压0-10V、或电压0-5V |
内核刷新周期 | 50uS |
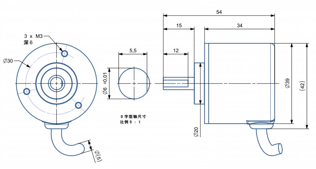
外形尺寸 | Φ39mm-6mm轴, Φ39mm-8mm盲孔, Φ50mm-8mm轴 | 轴的最大负载 | 轴向20N,径向80N |
外壳/法兰材质 | 锌镍镀层钢/航空铝 | 最大机械转速 | 8000转 |
轴材质 | 不锈钢轴(可定制轴尺寸) | 最大启动扭矩 | 0.006Nm |
轴承材质 | 轴承钢 | 重量 | 86~200g(含1.2米屏蔽线,可定制线长) |
工作温度 | -40 ~ + 85°C | 湿度 | 98 % (无凝露) |
储存温度 | -40 ~ + 85°C | 防护等级 | IP54 |
线色 | RS485&4-20mA | RS485&0-5V | RS485&0-10V |
红 | 12~24V | 12~24V | 12~24V |
黑 | GND | GND | GND |
黄 | SETL、复位 | SETL、复位 | SETL、复位 |
白 | 485A | 485A | 485A |
绿 | 485B | 485B | 485B |
橙 | SETH、方向 | SETH、方向 | SETH、方向 |
灰 | 4-20mA | / | / |
棕 | / | 0-5V | 0-10V |





IP54-BRT38-6mm 轴(见上图)

IP54-BRT38B-8mm 抱箍(见上图)

IP54-BRT50-8mm 轴(见上图)





